- 双平衡阀结构使绞盘具有多种牵引和安装方式,适用性强;
- 弹簧作用液压多片式摩擦制动器,反应灵敏,制动性能好,安全可靠;
- 弹簧压绳器与气动压绳器、手动离合与气动离合可自由选择;
- 满足EN14492-1:2006要求。
性能参数
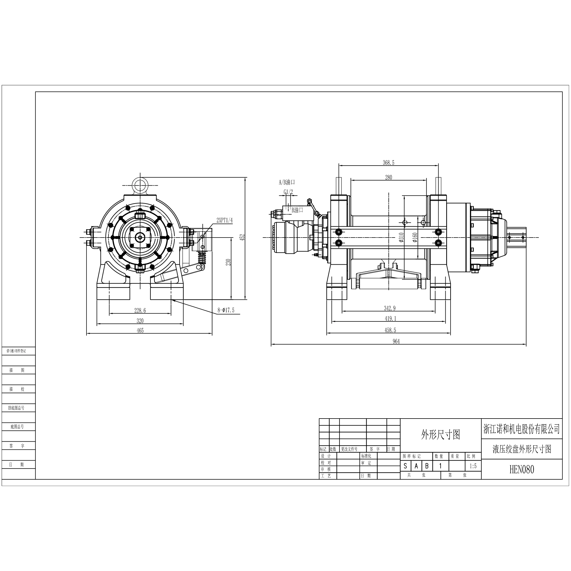
| 型号 | HEN080 | ||||
| 钢丝绳层数 | 1 | 2 | 3 | 4 | |
| 额定工作拉力(Kg) | 78.4 | 66.3 | 57.5 | 50.7 | |
| 额定工作速度(m/min) | 5 | 5.9 | 6.8 | 7.7 | |
| 每层绳长(m) | 9.7 | 21.3 | 44.2 | 59 | |
| 系统工作压力(MPa) | 14 | ||||
| 系统流量(l/min) | 60 | ||||
| 液压马达排量(ml/r) | 125 | ||||
| 钢丝绳直径(mm) | ∅16 | ||||
| 气动离合开启压力(MPa) | 0.8 | ||||
| 减速比 | 20:1 | ||||
| 绞盘净重(Kg) | 180 | ||||
注意事项:
1、建议系统流量大于绞盘额定流量的50%,否则可能会影响绞盘的正常使用;
2、系统须配溢流阀,否则可能会因超载导致人员受伤或设备损坏;
3、绞盘在工作状态下严禁操作离合机构。
4、绞盘严禁作为载人设备使用。











